一、D941X电动法兰软密封蝶阀--概述
D941X电动法兰软密封蝶阀适用于温度≤120℃,公称压力≤1.6MPa的食品、医药、化工、石油、电力、轻纺、造纸等给排水、气体管道上作调节流量和截流介质的作用。
1、D941X 电动法兰软密封蝶阀设计新颖、合理,结构独特,重量轻,启闭迅速。
2、操力矩小,操作方便,省力灵巧。
3、可以任何位置安装、维修方便。
4、密封件可以更换,密封性能可靠达到双向密封零泄漏。
5、密封材料耐老化、耐腐蚀,使用寿命长等特点。
设计标准:GB/T12238-1989
法兰连接尺寸:GB/T9113.1-2000;GB/T9115.1-2000;JB78
结构长度: GB/12221-1989
压力试验:GB/T13927-1992;JB/T9092-1999
四、D941X电动法兰软密封蝶阀--主要技术参数
| 公称通径 | DN(mm) | 50~2000 |
| 公称压力 | PN(MPa) | 0.6 | 1.0 | 1.6 |
| 试验压力Ps(MPa) | 强度试验 | 0.9 | 1.5 | 2.4 |
| 密封试验 | 0.66 | 1.1 | 1.76 |
| 气密封试验 | 0.6 | 0.6 | 0.6 |
| 适用介质 | 空气、水、污水、蒸气、煤气、油品等。 |
| 驱动形式 | 手动、蜗杆蜗轮传动、气传动、电传动。 |
五、D941X电动法兰软密封蝶阀--主要零件的材质
| 零件名称 | 材料 |
| 阀体 | 各种橡胶、聚四氟 |
| 蝶板 | 灰铸铁、球墨铸钢、铸钢、不锈钢及特殊材料 |
| 密封圈 | 球墨铸钢、铸钢、合金钢、不锈钢 |
| 阀杆 | 2Cr13、不锈钢 |
| 填料 | O型圈、柔性石墨 |
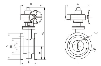
六、主要连接及外形尺寸
| 公称通径 | 结构 长度 | 外形尺寸(参考值) | 连接尺寸(标准值) | 参考 重量 |
| 0.6MPa |
| mm | inch | L | H | H0 | A | B | D | D1 | D2 | n-d |
| 50 | 2 | 108 | 63 | 306 | 180 | 200 | 140 | 110 | 88 | 4-14 | 13 |
| 65 | 21/2 | 112 | 70 | 321 | 180 | 200 | 160 | 130 | 108 | 4-14 | 14 |
| 80 | 3 | 114 | 83 | 346 | 180 | 200 | 190 | 150 | 124 | 4-18 | 15.5 |
| 100 | 4 | 127 | 105 | 387 | 180 | 200 | 210 | 170 | 144 | 4-18 | 19.5 |
| 125 | 5 | 140 | 115 | 411 | 180 | 200 | 240 | 200 | 174 | 8-18 | 25.5 |
| 150 | 6 | 140 | 137 | 447 | 270 | 280 | 265 | 225 | 199 | 8-18 | 28.5 |
| 200 | 8 | 152 | 164 | 572 | 270 | 280 | 320 | 280 | 254 | 8-18 | 48 |
| 250 | 10 | 250 | 206 | 646 | 270 | 280 | 375 | 335 | 309 | 12-18 | 69 |
| 300 | 12 | 270 | 230 | 738 | 380 | 420 | 440 | 395 | 363 | 12-22 | 91 |
| 350 | 14 | 290 | 248 | 761 | 380 | 420 | 490 | 445 | 413 | 12-22 | 110 |
| 400 | 16 | 310 | 289 | 877 | 450 | 470 | 540 | 495 | 463 | 16-22 | 140 |
| 450 | 18 | 330 | 320 | 938 | 480 | 490 | 595 | 550 | 518 | 16-22 | 180 |
| 500 | 20 | 350 | 343 | 993 | 480 | 490 | 645 | 600 | 568 | 20-22 | 215 |
| 600 | 24 | 390 | 413 | 1131 | 480 | 490 | 755 | 705 | 667 | 20-26 | 290 |
| 700 | 28 | 430 | 478 | 1476 | 640 | 660 | 860 | 810 | 772 | 24-26 | 560 |
| 800 | 32 | 470 | 525 | 1533 | 640 | 660 | 975 | 920 | 878 | 24-30 | 910 |
| 900 | 36 | 510 | 585 | 1655 | 750 | 860 | 1075 | 1020 | 978 | 24-30 | 1500 |
| 1000 | 40 | 550 | 640 | 1765 | 850 | 900 | 1175 | 1120 | 1078 | 28-30 | 1750 |
| 1200 | 48 | 630 | 755 | 1995 | 850 | 900 | 1405 | 1340 | 1292 | 32-33 | 2180 |
| 1400 | 56 | 710 | 910 | 2310 | 1000 | 925 | 1630 | 1560 | 1510 | 36-36 | 2400 |
| 1600 | 64 | 790 | 1030 | 2595 | 1000 | 925 | 1830 | 1760 | 1710 | 40-36 | 2870 |
| 1800 | 72 | 870 | 1140 | 2810 | 1100 | 980 | 2045 | 1970 | 1918 | 44-39 | 3380 |
| 2000 | 80 | 950 | 1250 | 3100 | 1100 | 980 | 2265 | 2180 | 2180 | 48-42 | 4010 |

